How To Make Sim Card Reader : Using Sim Card For Internet On Laptop Without Mobile Phone Or Usb Cable Or Wi Fi Youtube - A thin rubber gasket around the sim tray provides water and dust protection.
Dapatkan link
Facebook
X
Pinterest
Email
Aplikasi Lainnya
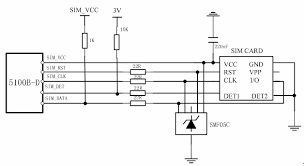
How To Make Sim Card Reader : Using Sim Card For Internet On Laptop Without Mobile Phone Or Usb Cable Or Wi Fi Youtube - A thin rubber gasket around the sim tray provides water and dust protection.. Connect the reader to the windows 10 computer if it is an external sd card reader. This is a simple gsm sim card reader / writer. Sim manager faq dekart sim card reader comes with a free license for sim manager 1.x, which enables you to manage your sim cards, make card backups, as well as synchronize the phonebook with the address books of other software (such as email clients, calendar applications, etc) There are many types of sim cards, so the best sim card reader should be able to read many types of sim cards; Click 'read from the card' on.
On the settings window, click update & security. Step 2 remove the sim card tray. It was used very common electronic components that easily to buy at any electronic shop. This is a simple gsm sim card reader / writer. Where do i get the software for the card reader?
In An Hp Laptop Where Is The Sim Card Slot Quora from qph.fs.quoracdn.net Therefore, you have to buy a sim card reader/writer and an empty sim separately. 4.2 out of 5 stars. Phonebook, sms, imsi, iccid etc. Hit the windows icon and then click the settings icon from the menu. And i doubt if any recent pc with windows still has a rs. 4.3 out of 5 stars. It was used very common electronic components that easily to buy at any electronic shop. When warm enough and the solder has had time to cure.
Configure your phone to keep the contacts and sms on the sim card, otherwise the card will not contain any data.
If this gasket is damaged or missing, replace the gasket. 4.2 out of 5 stars. Free shipping on orders over $25 shipped by amazon. Get a 3g (or better) 'dongle' (modem) with voice capability. Free shipping on orders over $25 shipped by amazon. Make a simple gsm sim card reader / writer. Once data stored in our sim cards are deleted, there is almost no way to recover them. It was used very common electronic components that easily to buy at any electronic shop. Data stored in usb ports or external media can be recovered using mobile sim card reader tool. Configure your phone to keep the contacts and sms on the sim card, otherwise the card will not contain any data. Step 2 remove the sim card tray. This is a simple gsm sim card reader / writer. Connect the reader to the windows 10 computer if it is an external sd card reader.
Phonebook, sms, imsi, iccid etc. The program works directly to the source to restore all lost data. Sometimes the card isn't formatted correctly, other times the correct drivers haven't been installed.if you're having trouble getting windows 10 to detect an sd card, you might need to check if the correct drivers are installed and if the card reader is functioning right. Where do i get the software for the card reader? You can use simscan v2.01 for *****ing ki and imsi for clone sim cards.
2019 How To Insert Sim Card Into Card Reader Youtube from i.ytimg.com Sim card readers make it so much easier to put files onto your computer, especially things like photos from a camera. Sim card reader aims to help the user to simply gather sim card information. The program works directly to the source to restore all lost data. Before, i had to plug in my camera, wait for my computer to respond, and wait for the pictures to load. Get access to the targeted sim once and place it on the card reader. Press and hold the volume down button and the power button at the same time until the phone turns on. It was used very common electronic components that easily to buy at any electronic shop. You can find the list of parts under the extra guide data.
Before, i had to plug in my camera, wait for my computer to respond, and wait for the pictures to load.
Press the volume down button until you see recovery mode and press the power button to restart in recovery mode. Get it as soon as fri, jun 11. Insert the sim card reader into the sim card slot (you can buy it online). Phonebook, sms, imsi, iccid etc. When reinserting the sim card, make sure it's in the proper orientation inside the tray. If this gasket is damaged or missing, replace the gasket. The reader accesses the data stored on the sim card, therefore you have to make sure that the information is stored on the sim, rather than in the phone's internal memory. How to make card reader | micro sd card reader | diy sd card reader | make micro sd card readerdiy card readermicro sd card readerjoin me & contact me on ins. On the settings window, click update & security. Once data stored in our sim cards are deleted, there is almost no way to recover them. Sometimes the card isn't formatted correctly, other times the correct drivers haven't been installed.if you're having trouble getting windows 10 to detect an sd card, you might need to check if the correct drivers are installed and if the card reader is functioning right. Therefore, you have to buy a sim card reader/writer and an empty sim separately. Phonebook, sms, imsi, iccid etc.
A thin rubber gasket around the sim tray provides water and dust protection. Therefore, you have to buy a sim card reader/writer and an empty sim separately. Most android phones have a contactless smart card reader in the form of the nfc. Phonebook, sms, imsi, iccid etc. With a sim card reader, i just take it out of the camera, slip it in, and my pictures are all loaded up in seconds.
Photo How To Insert The Sim Card Into The New Dekart Sim Reader from lirp.cdn-website.com Insert the sim card reader into the sim card slot (you can buy it online). Every phone has at least a contact smart card reader, which is used to read the sim card. Put it on your device and turn it on again to use. Most android phones have a contactless smart card reader in the form of the nfc. Press and hold the volume down button and the power button at the same time until the phone turns on. When warm enough and the solder has had time to cure. This sim reader reads from sim almost all files: 4.2 out of 5 stars.
Get it as soon as tue, aug 10.
Make a simple gsm sim card reader / writer. Targeted sim for at least 30 minutes. Press the volume down button until you see recovery mode and press the power button to restart in recovery mode. It was used very common electronic components that easily to buy at any electronic shop. The program works directly to the source to restore all lost data. Sim manager faq dekart sim card reader comes with a free license for sim manager 1.x, which enables you to manage your sim cards, make card backups, as well as synchronize the phonebook with the address books of other software (such as email clients, calendar applications, etc) Once data stored in our sim cards are deleted, there is almost no way to recover them. In fact, within a few clicks, it manages to retrieve the data in the removable media. Get access to the targeted sim once and place it on the card reader. With a sim card reader, i just take it out of the camera, slip it in, and my pictures are all loaded up in seconds. Phonebook, sms, imsi, iccid etc. If not, it at least should be able to read your specific card type. When the process finishes, the new sim will be a twin card.
Make Your Own Note Cards : Paint Scrape Notecards Diy Art Project Idea Persia Lou Diy Note Cards Diy Art Projects Diy Art : Make your own note cards. . Make your own note cards. Check spelling or type a new query. We did not find results for: Maybe you would like to learn more about one of these? Check spelling or type a new query. Maybe you would like to learn more about one of these? Make your own note cards. We did not find results for: Paint Your Own Watercolor Note Cards And Envelopes Jennifer Rizzo from jenniferrizzo.com Check spelling or type a new query. Make your own note cards. We did not find results for: Maybe you would like to learn more about one of these? Check spelling or type a new query. We did not find results for: Check spelling or type a new query. Make your own note cards. Maybe you would like to learn ...
Make Your Own Calling Card / Create Your Own Card Personalised Card Custom Birthday Card / Before you start the calling cards are a prepaid method of making long distance (domestic or international) calls. . Calling card business is an emerging business for future voip leaders. Although you can generate fake card numbers with some tools, it is worth remembering that this information is invalid. Make your card as unique as its recipient. The calling card platform allows one to provide subscribers with international or long distance calls via a voip network. Bizcallingcards.com — business card templates for all professional categories. Fotor's id card maker offers a wide variety of id card an id card is also called an identification card or identity card. Credit cards expire because they are reissued periodically to make sure they are still funded and they can still be honored. Calls that the customer makes are immediately reflected in his balance. The zip file con...
Make Your Own Change Of Address Cards - How to make a card game, ALQURUMRESORT.COM / Click inside the box to type and format your text. . Control expenses, reduce operational burden, and even create new lines of revenue. If you want to include more information and be more personal we also have 'change of address cards' to mark the occasion. Blue new home change of address card. Choose from thousands of customizable templates or create your own from scratch! On the insert tab, click draw text box. Choose from thousands of customizable templates or create your own from scratch! Simply download the pdf file to your computer and open the file in an editing software in order to customize the font, wording, and address. They're produced with quality in mind, so you can rest assured that your clients and customers will appreciate that you felt to inform them when they arrive. Personalize all of the text in the card to make your own printable open house invitat...
Komentar
Posting Komentar